Recommended Products
咨詢熱線:
0519-82518168
電話:18922852877
郵箱:jacky@xbwsemi.com
QQ:523062883
地址:江蘇省常州市金壇區儒林開發區長豐路18號
在某些電路中,交流信號用于特定的電平。對于該電平交流輸入信號被限制在特定值。用于將信號限制到指定值的電路稱為二極管限幅電路。
二極管限幅電路由一個或多個二極管組成,一般與輸入信號并聯,主要用于限制或切斷輸入信號。二極管限制電路的輸出取決于二極管的方向和輸入信號。
在某些電路中,只有一半的波被限制,因此二極管被連接到輸入交流電源。但是,如果您想限制一個完整的信號或正弦波的兩半,請使用兩個二極管。
二極管限幅電路的例子:半波整流電路是一個非常典型的例子。當二極管正向偏置時,任何低于0的電壓都將被切斷。類似地,當二極管反向偏置時,高于0的任何電壓都將切斷。
二極管限幅電路原理分析
正向二極管限流電路
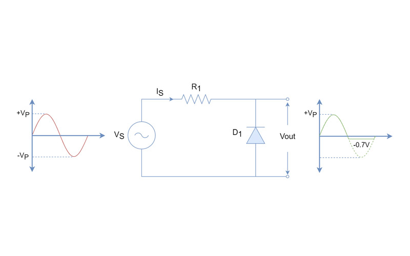
在下圖中,您可以看到二極管連接到輸入交流信號,因為輸入信號的正部分通過二極管,二極管處于正偏置狀態。
在正半周期中,二極管將不導通,直到輸入電壓達到約0.7V。一旦二極管開始導通,無論輸入電壓如何,二極管上只會有正向壓降。輸出波形的正半周期描述了這一點。
在負半周期期間,二極管保持反向偏置(開路),整個輸入信號出現在二極管兩端。這種電路僅在正周期期間切斷輸入信號,即,高于+0.7V的任何電壓都將被切斷。
正向二極管限幅電路僅限幅輸入正弦信號的正半周。

負向二極管限幅電路
當二極管的方向改變時,它將與正向二極管限幅電路相反。以下限幅電路僅在負周期內限制電壓。工作原理與正向二極管限幅電路的描述相同,但二極管偏置相反。負限幅電路將負電壓限制在-0.7V,任何小于該值的值都將被切斷。

正負周期限幅電路
正負限幅電路的組合是在兩個周期中限制電壓的限幅電路。二極管反向并聯排列,其中一個導通,另一個保持開路。
在正半周期期間,二極管D1導通,D2保持開路。反向操作發生在負循環期間。輸出波形在正半周期被限制為+0.7V,在負半周期被限定為-0.7V。
